UII型散熱排管
![]() |
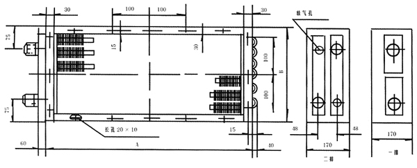
UII型是一種既適用于蒸汽加熱系統,又適用于熱水加熱系統的散熱排管,其進(jìn)出水接頭都在同一側,進(jìn)出水排管足用U型彎頭連接,這樣,適應了安裝上的某些特殊要求,即散熱排管的一端必需靠墻或者有其它障礙物等。 翅片管均用Φ16×lmm紫銅管繞制上10 × 0.2mm的皺折紫銅帶而成,呈螺旋狀,具有3.2mm-“R”,4.2mm-“M”,6.5mm-“T”三種不同的片距,“R”種片距,片距小而散熱面積人具有大的散熱量;“M”種片距,片距較大,散熱量及空氣阻力均較??;“T”種片距,片距大,適用蒸汽壓力較高而空氣溫升較低的情況。 UII犁散熱排管有各種不同表而管長(cháng)、管數、排數及翅片片距的多種配合,計有大小規格七百六十五種。 翅片管繞制完畢后均進(jìn)行表面浸鍍錫合金,以確保翅片與管子接觸緊密,并達到美觀(guān)防腐蝕的效果。 翅片管與進(jìn)氣回水總管的連接,均采用銅焊,其它I—藝細節,均嚴格要求,考慮周密,以確保散熱器性能良好,經(jīng)久耐用,安裝方便,經(jīng)濟合算。 GLⅡ型U型散熱器用于造紙、化工、輕紡等企業(yè)的空調、冷卻除濕等工程。因其散熱管小,翅片密,所以效果佳。 UII型編號方法為: 型號—排數(片距代號)3.2—表面管數—表面管長(cháng)(英寸)。 如采用兩排,片距為3.2mm,表面管數為21,管長(cháng)為60英寸,則為UII—2?—21—60。 |

相關(guān)推薦
/ recommend